QR koodi
Tuotteet
Ota meihin yhteyttä


Faksi
+86-574-87168065

Sähköposti

Osoite
LUOTUO -teollisuusalue, Zhenhai District, Ningbo City, Kiina
Power "Relay Race": Syöttösekoittimen vaihdelaatikko on kuin "rele kapteeni" voimansiirtoon. Moottorin käynnistymisen jälkeen teho siirretään ensin vaihdelaatikkoon tulolaarin tuloakselille ja sitten "nopeudenmuutos" saavutetaan laatikossa erikokoisten vaihteiden ryhmän siirtämällä. Esimerkiksi, jos syöttöakseli pyörii 1000 kertaa minuutissa, lähtöakseli voi pyöriä vain 100 kertaa vaihderyhmän voimansiirron jälkeen, mutta vääntömomentti paranee huomattavasti. Tämä voimakas voima siirretään sitten sekoitusakseliin, jolloin sekoitusterät voivat sekoittaa syöttöä nopeasti, käsittelemällä helposti "kovia tavaroita", kuten korkean kuitujen rehua.
Tarkka meshing, vähentynyt häviö: Vaihteistojen vaihdelaatikkoja ei sovi satunnaisesti. Raydafonin tuottamilla vaihteilla on hampaan muoto, joka on tarkkaan laskettu ja jalostettu, ja ne sopivat tiukasti meshingissä, kuten kaksi palapelin palapeliä, jotka sopivat yhteen täydellisesti. Tällä tavalla voimansiirron aikana on hyvin vähän kitkaa, vähemmän energian menetystä, ja suurin osa tehosta voidaan käyttää sekoittamiseen. Se on kuin "energiaa säästävän ytimen" asentaminen syötesekoittimeen, mikä tekee työstä energisemman tuhlaamatta energiaa.
Joustava säätö tarpeiden tyydyttämiseksi: Eri syötteet ja erilaiset sekoitusmäärät vaativat erilaisia nopeuksia. Syöttösekoittimen vaihdelaatikko on, että sitä voidaan säätää joustavasti. Vaihtamalla vaihdelaitteiden yhdistelmää, voidaan saavuttaa erilaiset nopeussuhteet erilaisten tarpeiden tyydyttämiseksi. Jos haluat sekoittaa säilörehua ja keskittyä nopeasti, lisää nopeutta; Jos haluat käsitellä hauraita raaka -aineita, pienennä nopeutta ja sekoita hitaasti, ja vaihdelaatikko voi tehdä kaiken.
Vakaa tuki ja kestävyys: vaihdelaatikko runko vastaa koko voimansiirtojärjestelmän "vartijaa". Erittäin luja valurautainen materiaali, vahva ja iskunkestävä, voi stabiilisti tukea sisäisiä vaihteita ja laakereita. Sisäiset laakerit voideltaan erityisesti sileän pyörimisen ja vähentyneen kulumisen suhteen. Vaikka värähtelyt syntyvät syöttösekoituksen aikana, vaihdelaatikko voi varmistaa vaihteiden vakaata sitoutumista, tulostaa jatkuvasti vakaa tehoa ja pidentää yleistä käyttöiäsi.
Raydafonin tuotetuotantoprosessi on testattu tiukasti ja se voidaan toimia täysin todellisen asennuksen jälkeen. Tuotteemme valitseminen tarkoittaa, että olet valinnut mielenrauhan.
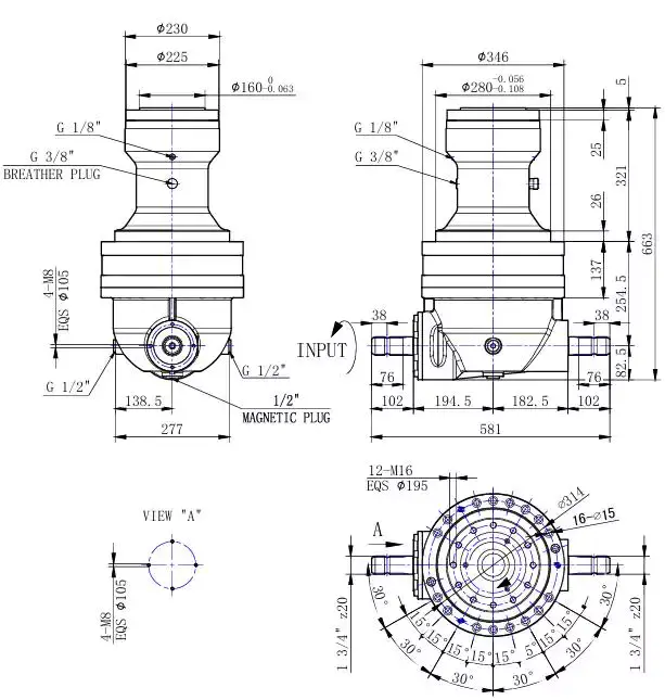
| Suhde | Syöttö R.P.M |
Syöttövoima | Tulos | Malli | Kommentit | |
| Kw | HP | Nm | ||||
| 16.1: 1 | 540 | 44.7 | 60 | 11600 | G1-0314 |
|
| 19.4: 1 | 540 | 26.1 | 35 | 8600 | G1-0514 |
|
| Määrä | A | B | C | D | E | F | G | H | 1 | J | K | L | M | N | ||||||||||||||||||
| 1 | ⌀200 H7 | ⌀278 | 12-M16 Eqs⌀245 | 15 | 25 | ⌀280 F7 | ⌀380 | 12-m16 |
|
26 | 30 | 353 | 300 | 785 | ||||||||||||||||||
| 2 | ⌀200 H7 | ⌀278 | 12-M16 Eqs⌀245 | 15 | 25 | ⌀280 F7 | ⌀380 | 12-m16 |
|
26 | 30 | 353 | 402.5 | 857.5 | ||||||||||||||||||
| 3 | ⌀278 H8 | ⌀345 | 15-M16 Eqs⌀314 | 8 | 25 | ⌀348 H8 | ⌀385 | 12-17 | 2-M18 | 10.5 | 29 | 351 | 321.5 | 774.5 | ||||||||||||||||||
| 4 | ⌀278 H8 | ⌀345 | 15-M16 Eqs⌀314 | 8 | 25 | ⌀348 H8 | ⌀385 | 12-17 | 2-M18 | 10.5 | 29 | 351 | 394 | 847 | ||||||||||||||||||
| 5 | ⌀154,8 H8 | ⌀250 | 12-M20*1,5 Eqs⌀205 | 12 | 39 | ⌀348 H8 | ⌀385 | 12-17 | 2-M18 | 10.5 | 29 | 354.5 | 321.5 | 778 | ||||||||||||||||||
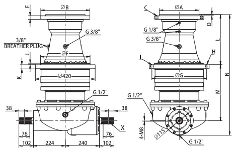
| Suhde | lnput R.P.M |
Syöttövoima | Tulos Nm |
Syöttöakseli | Kommentit | |||||||||||||||||||||||||||
| kw | HP | |||||||||||||||||||||||||||||||
| 13.4: 1 | 540 | 85.8 | 115 | 17984 | X |
|
||||||||||||||||||||||||||
| 14.6: 1 | 540 | 70.8 | 95 | 16187 | X |
|
||||||||||||||||||||||||||
| 16.1: 1 | 540 | 63.4 | 85 | 15971 | X |
|
||||||||||||||||||||||||||
| 18.2: 1 | 540 | 44.7 | 60 | 12744 | X |
|
||||||||||||||||||||||||||
| 21.1: 1 | 540 | 37.3 | 50 | 12312 | X |
|
||||||||||||||||||||||||||
| 25,9: 1 | 1000 | 82 | 110 | 17954 | X |
|
||||||||||||||||||||||||||
| 28.3: 1 | 1000 | 67.1 | 90 | 16051 | X |
|
||||||||||||||||||||||||||
Teräs "runko" on erittäin kestävä: Tämä vaihdelaatikko on valmistettu paksuuntuneesta erittäin lujasta valuraudasta, ja koko laatikko on yhtä vahva kuin säiliön kuori. Olipa kyse kosteasta ympäristöstä, kun sekoitetaan säilörehua tai pelletoituneen rehun käsittelemisen aiheuttamaa väkivaltaista tärinää, se kestää sitä tasaisesti. Sisäiset hammaspyörät ovat hiilihappoja ja sammutettuja, ja hampaan pinnan kovuus on yhtä korkea kuin HRC58. Kulutusvastus on 3 kertaa vahvempi kuin tavalliset vaihteet. Sitä on käytetty jatkuvasti viiden tai kuuden vuoden ajan pölyisissä ja raskaita ladattuja tiloja, ja suorituskyky on edelleen "verkossa", ja korjausten lukumäärä on hyvin vähän.
Virransiirto "nollajäte": Suunnittelu on täynnä kekseliäisyyttä! Vaihteiden meshing -tarkkuus saavuttaa hiuksen tason, ja tehonsiirtotehokkuus ylittää 95%. Muissa vaihdelaatikoissa voi olla paljon virtaa "liukua pois" sekoituksen aikana, mutta TMR -sekoittimen EP -RMG: n syöttösekoittimen vaihdelaatikko voi käyttää kaikkia terän moottorin tehoa. Saman 5 tonnin rehun sekoittumisen vuoksi vaihdelaatikkomme käyttäminen voi olla 15 minuuttia nopeampaa ja säästää 20% sähkölaskuista, mikä säästää viljelijöiden todellista rahaa.
"Yleinen sopeutumiskyky" on erittäin huolestumaton: onko se yksinkertainen sekoitin pienellä maatilalla tai jättiläislaitteilla suuressa syöttötehtaalla, tämä vaihdelaatikko voidaan kytkeä saumattomasti. Nopeussuhde voidaan säätää vapaasti välillä 2: 1 - 15: 1, ja karkeaa, konsentraattisyöttöä ja sekoitettua syötettä voidaan sekoittaa haluamallasi tavalla. Asennus on myös helppoa, eikä laitteisiin ole tarvetta tehdä suuria muutoksia. Tavalliset työntekijät voivat saada sen päätökseen puolen tunnin kuluttua ohjeiden mukaan, mikä sopii erityisesti kiireisiin viljelijöille. "Älykäs suoja" on erittäin huomaavainen: vaihdelaatikko on sisäänrakennettu ylikuormituslaite. Kun sekoituskuorma on liian suuri, se "pysähtyy automaattisesti" vaihteiden vaurioiden välttämiseksi, mikä ei vain suojaa konetta, vaan myös estää turvallisuusonnettomuuksia. Lisäksi rakennesuunnittelu on kohtuullinen. Voit vaihtaa laakerin tai korjata vaihde avaamalla laatikko. Se ei ole niin hankala kuin "venäläisen nuken" purkaminen. Sisäänpäivät ja ylläpitoaika lyhenee huomattavasti, mikä varmistaa, että maatilan tuotanto ei lopu.
Merentakaisena asiakkaana haluan todella kiittää Raydafonille! Syöttösekoittimen vaihdelaatikko on todella helppo käyttää. Sen asennuksen jälkeen laitteet ovat toimineet erittäin sujuvasti, ja työtehokkuus on paljon korkeampi kuin ennen. Vaihteisto on valmistettu kiinteistä ja kestävistä materiaaleista, ja se on helppo asentaa ja ylläpitää. Se on ratkaissut vanhat ongelmat, joita meillä oli aiemmissa laitteissamme. Minun on kiitettävä erityisesti myynnin jälkeistä palvelua. Tapasimme joitain pieniä kysymyksiä sitä käytettäessä, ja tajusit sen nopeasti. Se on erittäin luotettava. Tämä yhteistyökokemus on todella hyvä. Olen suositellut tuotteitasi ikäisilleni ja odotan innolla yhteistyön jatkamista tulevaisuudessa! ----- James Carter
Hei, olen David Johnson, Raydafonin asiakas. Ostin syöttisekoittimen vaihdelaatikkosi aiemmin, ja on todella hienoa käyttää! Tämän vaihdelaatikon asentamisen jälkeen syöttösekoittimemme toimii paljon sujuvammana kuin ennen, ja tehokkuutta on parannettu. Olen huolissani laitteiden häirinnästä, mutta nyt minun ei tarvitse huolehtia siitä ollenkaan. Mikä saa minut tuntemaan arvoisimman, on se, että se on erittäin kestävä, materiaali tuntuu vankalta, eikä sitä ole hankala ylläpitää sitä päivittäin. Kiristä vain muutama ruuvi ja tarkista öljytaso, toisin kuin aikaisemmat laitteet, jotka on heitettävä muutaman päivän välein. Viime kerralla, kun minulla oli pieniä kysymyksiä täällä toiminnassa, lähetin sähköpostin myynnin jälkeiselle palveluksellesi ja sain vastauksen samana päivänä. Insinööri piirsi myös kaavion opettamaan minulle sen säätämistä. Tämä palvelu on hieno! Ollakseni rehellinen, puhun usein tuotteistasi kollegoideni kanssa, kun syön yhdessä illallisen. Hyviä asioita tulisi tietää useammille ihmisille. Toivon jatkavan yhteistyötä kanssasi tulevaisuudessa, ja toivon, että yrityksesi tulee yhä suositumpi!
Nimeni on Michael Brown. Olin hieman epäröivä, kun ostin ensin syöttösekoittimen vaihdelaatikkosi, muut tuotteet huijasivat minua aiemmin, mutta sen käytön jälkeen melkein puoli vuotta, annan sille todella peukalon! Tämän vaihdelaatikon melu on paljon pienempi kuin ennen. Aikaisemmin se oli kuin Thunder, kun se kytkettiin päälle, mutta nyt minun ei tarvitse huutaa puhuttaessa työpajassa. Yllättävin asia on tehokkuus. Syöttöerän sekoittaminen kului 40 minuuttia, mutta nyt se voidaan tehdä 25 minuutissa, ja myös kuljetinhihna on lisännyt nopeuttaan. Viime viikolla vaihdelaatikon merkkivalo välähti kahdesti. Mietin, oliko ongelmia, joten soitin myynnin jälkeisen palvelusi. Tyttö, joka vastasi puhelimeen, oli erittäin kärsivällinen. Hän antoi minun ottaa muutaman kuvan ja ohjasi minua puhdistamaan pölyn paikan päällä olevasta anturista. Kesti enintään 10 minuuttia. Vaihteisto on valmistettu kiinteistä materiaaleista. Ulompi kuori tuntuu raskaalta. Viime kerralla haarukkat hieroi sitä vahingossa, jättäen pienen jäljen, mutta sisällä olevat osat eivät vaikuttaneet. Puhuin tuotteistasi, kun juoin viereisen viljelijän kanssa. Hän aikoo myös tilata yhden ensi kuussa! Odotan innolla uusien lisävarusteiden kokeilua tulevaisuudessa ja toivon, että vahvistuu ja vahvempi!
Osoite
LUOTUO -teollisuusalue, Zhenhai District, Ningbo City, Kiina
Puh
Sähköposti


+86-574-87168065


LUOTUO -teollisuusalue, Zhenhai District, Ningbo City, Kiina
Copyright © Raydafon Technology Group Co., rajoitettu kaikki oikeudet pidätetään.
Links | Sitemap | RSS | XML | Tietosuojakäytäntö |
