QR koodi
Tuotteet
Ota meihin yhteyttä


Faksi
+86-574-87168065

Sähköposti

Osoite
LUOTUO -teollisuusalue, Zhenhai District, Ningbo City, Kiina
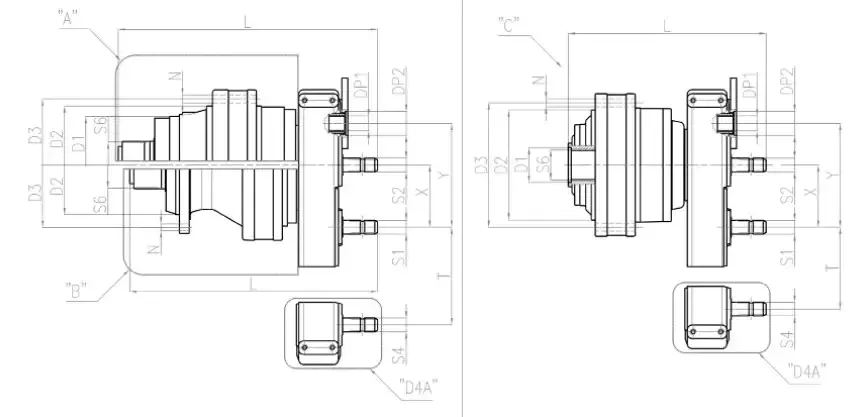
| Malli | PG-702 | PG-1002 | PG-1602 | PG-1802 | PG-2502 | PG-3002 | PG-3503 | |||
| Suhde I | 18.2 | 18.3 | 13.4-33.6 | 15,7-29,9 | 14.6-20-36.2 | 45.3 | 53.7 | |||
| Lähtötyyppi | B | B | B | C | B | C | A | C | C | C |
| D1 |
|
|
|
88HB |
|
88HB | 245F7 | 102H7 | 102H7 | 122HF |
| D2 | 200F7 | 230F7 | 230F7 | 278f7 | 230f | 278f7 | 340F7 | 340F7 | 340F7 | 340F7 |
| D3 | 250 | 295 | 295 | 314 | 295 | 314 | 370 | 370 | 370 | 370 |
| N | ∅15 × N ° 12 | ∅17 × N ° 10 | ∅17 × N ° 10 | ∅15 × N ° 18 | ∅17 × N ° 10 | ∅15 × N ° 18 | ∅17 × N ° 15 | ∅17 × N ° 15 | ∅17 × N ° 15 | ∅17 × N ° 15 |
| L | 646.5 | 627.5 | 693 | 490.5 | 714 | 499.5 | 798.5 | 595.5 | 601 | 680.5 |
| S6 | 70*64 DIN5482 | 80*74 DIN5482 | 100*94 DIN5482 | 80*74 DIN5482 | 100*94 DIN5482 | 80*74 DIN5482 | 100*94 DIN5482 | 100*94 DIN5482 | 100*94 DIN5482 | 120*22*5 DIN5482 |
| S1 | 1 "3/8 Z6 | 1 "3/8 Z6 | 1 "3/8 Z6 | 1 "3/8 Z6 | 1 "3/8 Z6 | 1 "3/8 Z6 | 1 "3/8 Z6 | 1 "3/8 Z6 | 1 "3/8 Z6 | 1 "3/8 Z6 |
| S2 | 1 "3/8 Z6 | 1 "3/8 Z6 | 1 "3/8 Z6 | 1 "3/8 Z6 | 1 "3/8 Z6 | 1 "3/8 Z6 | 1 "3/8 Z6 |
|
|
|
| DP1 | 40*36 DIN5482 | 40*36 DIN5482 | 40*36 DIN5482 | 40*36 DIN5482 | 40*36 DIN5482 | 40*36 DIN5482 | 40*36 DIN5482 | 40*36 DIN5482 | 40*36 DIN5482 | 40*36 DIN5482 |
| DP2 | 60,3 hevos | 60,3 hevos | 60,3 hevos | 60,3 hevos | 60,3 hevos | 60,3 hevos | 60,3 hevos | 60,3 hevos | 60,3 hevos | 60,3 hevos |
| X | 157 | 157 | 157 | 157 | 157 | 157 | 157 | 157 | 157 | 157 |
| Y | 262 | 262 | 262 | 262 | 262 | 262 | 262 | 262 | 262 | 262 |
| S4 |
|
|
|
1 "3/8 Z6 |
|
1 "3/8 Z6 |
|
1 "3/8 Z6 | 1 "3/8 Z6 | 1 "3/8 Z6 |
| T |
|
|
|
156.8 |
|
156.8 |
|
156.8 | 156.8 | 156.8 |
| Malli | Suhde I | D1 | D2 | D3 | D4 | N | E |
| PG-1602 | 22.14-33.6 | 80*74 DIN5482 | 225 F7 | 278 F7 | 314 | ∅15 × N ° 18 | Sae b/sae c |
| PG-2502 | 20-36.2 | 100*94 DIN5482 | 245 F7 | 340F7 | 370 | ∅17 × N ° 15 | Sae b/sae c |
| Malli | Suhde I | D1 | D2 | D3 | N | E |
| PG-161 | 3.55-2.49-5.60 | 40*36 DIN5482 | 110 F7 | 165 | ∅10,5 × nro 8 | SAE A/SAE B/SAE BB/OMTS |
| PG-251 | 4.13-5.17-6.00 | 58*53 DIN5482 | 150 F7 | 195 | ∅13 × N ° 10 | SAE A/SAE B/SAE BB/OMTS |
| PG-501 | 4.13-5.17-6.00 | 58*53 DIN5482 | 150 F7 | 195 | ∅13 × N ° 10 | SAE A/SAE B/SAE BB/OMTS |
KehitysPG -sarjan syöttösekoitin planeettavaihteistojohtuu syvästä näkemyksestä perinteisen sekoituslaitteen voimansiirtojärjestelmän kipupisteistä. Sen kolme planeettavaihteistoa hajautettu voimansiirtoarkkitehtuuri ei ole yksinkertainen mekaanisten rakenteiden pinoaminen, mutta toistuvalla simuloimalla jännitysolosuhteet eri raaka -aineiden suhteissa määritetään lopulta vaihde moduulin, hampaan leveys ja helikskulma. Esimerkiksi, kun prosessoidaan maissin varret ja soija -ateriaseokset, sen ainutlaatuinen aktiivisen hammassuunnittelu voi vähentää materiaalin häiritsemisen riskiä 15%. Erittäin tarkkailun hiontaprosessissa hampaan pinnan karheutta säädetään RA0.8: n alapuolella, mikä lisää voimansiirtotehokkuutta 8% -10% verrattuna perinteisiin vaihdelaatikoihin. Syöttötehtaan mitatut tiedot osoittavat, että 12 tunnissa jatkuvassa toiminnassa päivässä tämän vaihdelaatikkojen energiankulutus on 14% pienempi kuin samanlaisten tuotteiden ja sekoitusakselin vääntömomentin vaihtelun amplitudi vähenee 22%, mikä parantaa merkittävästi sekoitusten tasaisuutta.
Kovien hiukkasten, kuten hiekan, kiven ja metalliraaka -aineiden, jotka on usein sekoitettu syöttöraka -aineisiin, tämä vaihdelaatikko on kohdistettu materiaalien ja prosessien suhteen. Vaihteen runko on valmistettu 20 crmnti -seosteräksestä. Kun käsittely on sammuttanut 1,2 mm: n hiilihappisyvyydellä, yhdistettynä matalan lämpötilan karkaisuprosessiin, hampaan juurten taivutusväsymyslujuus kasvaa yli 850MPa. Ranchilla epätäydellisen raaka-aineiden seulonnan äärimmäisissä työolosuhteissa sen pisarankestävyys on kestänyt jatkuvan 500 tunnin hiekan ja soran iskutestin, ja hampaiden pinnalle ilmestyi vain pieniä naarmuja ilman kuorinta. Samanaikaisesti optimoimalla kylkiluun asettelun ja planeetta -kantoaalton esikuormittelun, vaihdelaatikko voi silti ylläpitää voimansiirron tarkkuutta, kun se kohdistuu hetkelliseen vaikutukseen 1,5 -kertainen nimellismomentti, välttäen ylikuormituksen aiheuttaman vaihdetoiminnan väärinkäytön tai hampaiden rikkoutumisen riskin.
Vaihdelaatikon älykäs suunnittelu on johdettu syvän ymmärryksestä rehunkäsittelyteollisuuden käyttö- ja ylläpidosta. Sen sisäänrakennettu älykäs valvontamoduuli ei ole yksinkertainen tiedonkeräin, vaan lämpötilan, värähtelyn, virran ja muiden signaalien ristikkäianalyysi algoritmimallin kautta. Esimerkiksi, kun laakerin lämpötila havaitaan olevan epänormaalin korkea, järjestelmä yhdistää kuormitushistoriatiedot sen määrittämiseksi, onko kyseessä voitelu- tai laakerin kuluminen riittämätöntä ja työntää erityisiä huoltosuosituksia. Tämän järjestelmän soveltamisen jälkeen syöttöyhtiö vältti kolme suunnittelematonta selkeää korvaamalla rasvan ja säätämällä laakeripuhun etukäteen, ja laitteen kokonaistehokkuus (OEE) kasvoi 18%. Lisäksi sen modulaarisen pikavapautusrakenteen suunnittelu oli inspiroitu etulinjan huoltohenkilöstön palautteesta. Vain neljä pulttia on löysättävä planeettavaihteen kokonaisvaihdon loppuun saattamiseksi, ja huolto -aika lyhennetään perinteisen rakenteen 4 tunnista 1,5 tuntiin.
Ympäristönsuojelun ja energiatehokkuuden optimoinnin kannalta vaihdelaatikkojen innovatiivinen suunnittelu johtuu rehuteollisuuden tarpeita koskevasta tarpeellisesta käsityksestä kustannusten vähentämiseksi ja tehokkuuden lisäämiseksi. Sen lämmön hajoamisrakenne ei lisää sokeasti lämmön hajoamisaluetta, vaan optimoi lämmön hajoamisen kylkiluiden kierrekulman ja etäisyyden nesteiden mekaniikan simulaation kautta siten, että luonnollisen lämmön hajoamisen tehokkuutta lisääntyy 30%, mikä vähentää jäähdytyspuhaltimen energiankulutusta. Voitelujärjestelmässä kaksoisvyöhykkeen öljynsyöttötekniikka otetaan käyttöön öljyn määrän dynaamisen säätämiseksi kuorman mukaan, välttäen perinteisten vaihdelaatikoita "tulva" voiteluainetta ja vähentämällä voiteluaineiden kulutusta 25%. Eurooppaan vietävän syöttötuotantolinjan todellinen mittaus osoittaa, että vaihdelaatikon melutaso on 5DB alempi kuin EU -standardi, ja sen energiatehokkuustaso saavuttaa IE3 -standardin, joka auttaa asiakkaita siirtämään tuonti maan energiatehokkuussertifikaatin. Tämä suunnittelukonsepti, joka sitoo syvästi teknisiä yksityiskohtia kaupallisella arvolla, on avain tuotteiden voittavien markkinoiden tunnistamiseen.
Hei! Olen Elena García, asiakas Barcelonasta, Espanja. Olemme käyttäneet planeetta vaihdelaatikkoa aurinkosähköpaneelien seurantajärjestelmäämme puolitoista vuotta. Tämä laite on täysin ratkaissut auringonpaisteen seurantatarkkuuden ongelman - käytetyllä vaihdelaatikolla, jota käytimme ennen aina noin viiden asteen seurantapoikkeamaa joka aamu ja ilta, kun taas kooderin planeettavaihteistosi voi hallita seurantavirhettä 0,5 asteen sisällä. Nyt aurinkosähköpaneelien keskimääräinen päivittäinen sähköntuotanto on kasvanut 18% verrattuna aiemmin, ja jopa sähkölasku on tullut huomattavasti ohuemmaksi. Nyt tämä planeetta vaihdelaatikko on kestänyt suolasuihke- ja voimakkaan tuulen testi merenrannan aurinkosähkön voimalaitoksessa. Vaihdelaatikon kotelon korroosion vastainen päällyste ei ole osoittanut putoamisen merkkejä, eikä sisäistä vaihdeöljyä tarvitse vaihtaa yhtä usein kuin ennen. Odotan innolla yhteistyötä kanssasi tulevaisuudessa uusiutuvassa energiaprojektissa!
Olen Hans Müller, mekaaninen insinööri Saksasta. Puoli vuotta sitten ostin Raydafonin planeettavaihteistot tuotantokokoonpanoihin. Niiden käytön jälkeen he ylittivät odotukseni! Laitteet kulkevat suurella kuormalla 16 tuntia päivässä korkean viskositeetin raaka-aineiden käsittelemiseksi. Vaihdelaatikon kohina vähenee 20%, voimansiirtotehokkuus on vakaa yli 94%: lla, lämpötilan nousua säädetään aina 25 ° C: ssa ja kestävyys on paljon parempi kuin vanhat mallit. Tiimisi oli ammattimainen ja tehokas koko prosessin ajan parametrien varhaisesta optimoinnista, rakenteen sulkemisesta etävirheenkorjausohjeisiin. Yksityiskohtainen muotoilu (kuten pölynkestävät tiivisteet ja standardisoidut asennusreiät) heijastaa edelleen syvää ymmärrystä todellisista työoloista. Raydafonin tuotteen laatu ja palvelutaso sai minut sisällyttämään sen pitkäaikaisten toimittajien luetteloon epäröimättä ja suosittelen sitä voimakkaasti ikätovereilleni!
Olen käyttänyt karjatilaa niin monta vuotta ja vaihtanut monia vaihdelaatikkoja. Vasta kun käytin Raydafonin planeettavaihteistoa, tajusin todella, mitä tarkoittaa olla huolettomia! Aikaisemmin käyttämäni laitteet olivat aina alitehoisia sekoittaessasi säilörehua, ja vaihteet liukastuivat usein. En odottanut, että planeettavaihteesi olisi niin tehokas. Tuotteesi on paljon yksinkertaisempi asentaa kuin luulin, ja se on myös helppo ylläpitää. Viime kerralla tein päivittäisen tarkastuksen itse, huomasin, että vaihdelaatikko oli hyvin suljettu eikä öljyvuotojen merkkejä ollenkaan. Aion ehdottomasti tukea sinua tulevaisuudessa ja suosittelen sinua Rancher -ystävilleni! ---- Mark Johnson
Osoite
LUOTUO -teollisuusalue, Zhenhai District, Ningbo City, Kiina
Puh
Sähköposti


+86-574-87168065


LUOTUO -teollisuusalue, Zhenhai District, Ningbo City, Kiina
Copyright © Raydafon Technology Group Co., rajoitettu kaikki oikeudet pidätetään.
Links | Sitemap | RSS | XML | Tietosuojakäytäntö |
