QR koodi
Tuotteet
Ota meihin yhteyttä


Faksi
+86-574-87168065

Sähköposti

Osoite
LUOTUO -teollisuusalue, Zhenhai District, Ningbo City, Kiina
Raydafonin SWC-DH Lyhyt Flex-hitsaustyyppinen Universal-kytkentä on rakennettu väärien kohdistettujen akselien kytkemiseksi raskaassa varusteessa-ajattelevat valssausmyllyt, nostot ja teräskäsittelykoneet. Se on kompakti lyhyt joustava universaali kytkentä, jonka halkaisija on 45–390 mm. Jopa silloin, kun akselit ovat pois päältä 25 astetta (kulmavirhe), se liikuttaa edelleen vääntömomenttia tehokkaasti - supistaen 1000 kn · m, joka sopii suoraan raskaan laitteiden voimantarpeisiin.
Teemme sen erittäin lujaan 35CRMO-teräksellä ja lisäämme neljä neulalaakeria, joten se pitää kiinni raskaiden kuormien alla. Siksi se on vankka valinta teollisuuskoneiden yleisiin kytkimiin, ja se toimii hyvin, kun raskaita laitteita hitsatut universaaliset kytkimet pisteissä, joissa kuormat pysyvät korkean suoran. Sen lyhytaikainen muotoilu on täydellinen koneille, joissa on vähän tilaa myös aksiaaliliikkeelle-antaa kovan voimansiirtokorjauksen koville teollisuustiloille.
Raydafonin Kiinassa sijaitseva valmistaja, jolla on ISO 9001 -sertifikaatti, joten pidämme kiinni tiukasta laatusäännöstä jokaiselle SWC-DH-kytkentälle. Risti -akseli saa kromilevyn korroosion torjumiseksi, joten se kestää myös olosuhteet. Hitsattu ike helpottaa myös asennusta - riviin akselit oikein, ja se toimii parhaimmillaan. Löydät sen vaihteilta metallurgia-, kaivos- ja nosturijärjestelmistä, ei ongelmia.
Lisäksi tämä kytkentä on erikokoisia ja vääntömomenttia. Jos tarvitset mukautettua yleistä kytkemistä teollisuuskoneisiin - say, sadonkorjuulle tai muille tiettyille varusteille -, voimme räätälöidä sen tarpeisiisi ja hinta pysyy kilpailukykyisenä. Meillä on valmistustietotaito, jotta tämä lyhyt joustava kytkentä vähenee laitteiden seisokkeja, joten koneesi kulkevat luotettavasti.
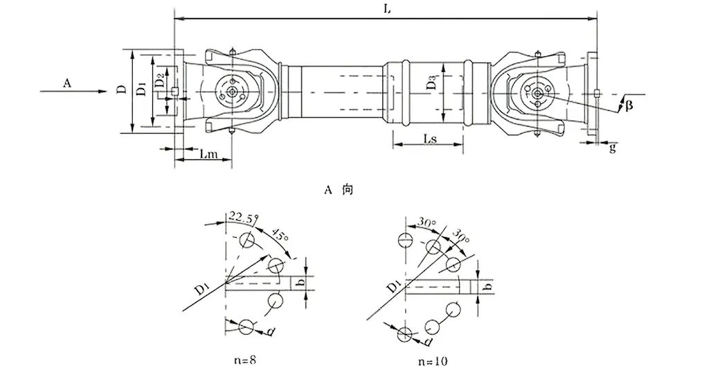
| Ei. | Gyration -halkaisija d mm | Nimellismomentti TN Kn · m | Akselit taittokulma β (°) | Väsynyt vääntömomentti TF Kn · m | Taipumismäärä Ls mm | Koko (mm) | Pyörivä inertia KG.M2 | Paino (kg) | |||||||||||
| Lemin | D1 (JS11) | D2 (H7) | D3 | Lm | n-d | k | t | b (H9) | g | Lemin | Lisätä 100 mm | Lemin | Lisätä 100 mm | ||||||
| SWC180DH1 | 180 | 20 | 10 | ≤25 | 75 | 650 | 155 | 105 | 114 | 110 | 8-17 | 17 | 5 | - | - | 0.165 | 0.0070 | 58 | 2.8 |
| SWC180DH2 | 55 | 600 | 0.162 | 56 | |||||||||||||||
| SWC180DH3 | 40 | 550 | 0.160 | 52 | |||||||||||||||
| SWC225DH1 | 225 | 40 | 20 | ≤15 | 85 | 710 | 196 | 135 | 152 | 120 | 20 | 5 | 32 | 9.0 | 0.415 | 0.0234 | 95 | 4.9 | |
| SWC225DH2 | 70 | 640 | 0.397 | 92 | |||||||||||||||
| SWC250DH1 | 250 | 63 | 31.5 | ≤15 | 100 | 795 | 218 | 150 | 168 | 140 | 8-19 | 25 | 6 | 40 | 12.5 | 0.900 | 0.0277 | 148 | 5.3 |
| SWC250DH2 | 70 | 735 | 0.885 | 136 | |||||||||||||||
| SWC285DH1 | 285 | 90 | 45 | ≤15 | 120 | 950 | 245 | 170 | 194 | 160 | 8-21 | 27 | 7 | 40 | 15.0 | 1.876 | 0.0510 | 229 | 6.3 |
| SWC285DH2 | 80 | 880 | 1.801 | 221 | |||||||||||||||
| SWC315DH1 | 315 | 125 | 63 | ≤15 | 130 | 1070 | 280 | 185 | 219 | 180 | 10-23 | 32 | 8 | 40 | 15.0 | 3.331 | 0.0795 | 346 | 8.0 |
| SWC315DH2 | 90 | 980 | 3.163 | 334 | |||||||||||||||
| SWC350DH1 | 350 | 180 | 90 | ≤15 | 140 | 1170 | 310 | 210 | 267 | 194 | 10-23 | 35 | 8 | 50 | 16.0 | 6.215 | 0..2219 | 508 | 15.0 |
| SWC350DH2 | 90 | 1070 | 5.824 | 485 | |||||||||||||||
| SWC390DH1 | 390 | 250 | 125 | ≤15 | 150 | 1300 | 345 | 235 | 267 | 215 | 10-25 | 40 | 8 | 70 | 18.0 | 11.125 | 0.2219 | 655 | |
| SWC390DH2 | 90 | 1200 | 10.763 | 600 | |||||||||||||||
* 1. * 2. Lmin-vähiten pituus leikkauksen jälkeen. * 3. L-asennuspituus, joka on vaatimuksen mukaan
SWC: n yleinen nivelkytkentä, jota usein kutsutaan SWC Cardan -akselin yleiseksi nivelkytkimeksi, on avainkomponentti raskaan teollisuusskenaarioissa. Se on välttämätöntä liikkuvalle myllyt, nostamiskoneet ja erilaiset suurten raskaiden koneiden järjestelmät. Korkeasti vääntönä yleisenä nivelkytkimenä se voi tehokkaasti yhdistää kaksi siirto-akselia riippumattomilla akseleilla varmistaen keskeytymättömän voimansiirron jopa monimutkaisissa ja ankarissa työolosuhteissa.
Tämän kytkennän keskeiset tekniset parametrit ovat seuraavat:
Gyration -halkaisija: φ58 - φ620
Nimellinen vääntömomentti: 0,15 - 1000 kN · m
Akselin taitokulma: ≤25 °
Käytännön sovelluksissa se toimii poikkeuksellisen hyvin. Esimerkiksi liikkuvien myllyjen aikana, kun tarvitaan luotettava raskas yleinen yleinen nivelkytkentä, joka on omistettu roll-mylloille, tai nosto- ja materiaalikäsittelyvälineissä, kun tarvitaan kestävä SWC: n yleinen nivelakselin kytkentä, tämä tuote on täysin pätevä. Jopa raskaiden kuormitusten alla, se voi vakaasti ylläpitää laitteiden toiminnan stabiilisuutta.
SWC: n yleinen yhteinen kytkentä on suunniteltu käyttämällä edistyneitä tekniikan periaatteita, jotka tarjoavat poikkeuksellisen suorituskyvyn ja pidemmän käyttöiän teollisuusympäristöissä. Sen tärkeimmät rakenteelliset piirteet ovat seuraavat:
Kohtuullinen ja turvallinen rakenne: Integroidun haarukan pään suunnittelu, tämä teollisuus yleinen nivelkytkentä vähentää pultin löysäämisen tai rikkoutumisen riskiä, mikä lisää rakenteellista lujuutta 30%-50%. Tämä malli varmistaa turvallisen ja luotettavan toiminnan, pidentää käyttöiän perinteisiin malleihin verrattuna ja estää yleisiä vikoja korkeapaineisissa skenaarioissa, kuten raskaiden koneiden yleisten nivelten kytkentäjärjestelmissä.
Parannettu kuormituskapasiteetti: SWC: n raskas yleinen nivelkytkentä on erityisesti suunniteltu kantamaan raskaita kuormia, joten se on välttämätöntä skenaarioissa, jotka vaativat erinomaista kuormanhallintaa, kuten kaivos- tai rakennuskoneita.
Suuri siirtotehokkuus: Kun tehokas teho on 98,6%, tämä tehokas yleinen nivelkytkentä suuren tehonsiirtoon vähentää merkittävästi energiankulutusta ja niihin liittyviä kustannuksia, mikä tekee siitä ensimmäisen valinnan energiansäästölle yleisten yhteisten kytkentäratkaisujen suhteen suuritehoisissa teollisuussiirtojärjestelmissä.
Vakaa toiminta, jolla on alhainen kohina: Se on ihanteellinen meluherkkiin ympäristöihin säilyttäen samalla korkean luotettavuuden.
Universal -nivelkytkimistä, etenkin SWC Cardan -akselista yleinen yhteinen kytkentä, on tullut välttämättömiä siirtokomponentteja teollisuussovelluksissa niiden erinomaisten etujen vuoksi. He voivat tyydyttää ydintarpeet suorituskyvynsä kanssa aloilla, kuten raskaat koneet, tarkkuuden valmistus ja energiansiirto. Alla on yksityiskohtainen analyysi niiden keskeisistä eduista:
Kello 1. Vahva vääntömomentin siirto ja erinomainen väärinkäyttökorvaus
Korkean vääntömomentin yleisenä nivelkytkimenä se voi välittää stabiilisti suuritehoisia kuormia. Jopa skenaarioissa, joissa akselin väärinkäyttö tapahtuu usein valssauslaitosoperaatioiden aikana-kuten rullien kulumisen ja lämpötilan muutosten aiheuttamat aksiaalinen siirtymä teräksen liikkumisen aikana-tämä luotettava raskas yleinen nivelkytkentä valssauskäyttöoperaatioihin pystyy käsittelemään sitä helposti. Se voi samanaikaisesti kompensoida kulma-, aksiaali- ja säteittäisiä väärinkäytöksiä, joiden maksimaalinen kulmavirhe on jopa 25 astetta. Tämä erinomainen väärinkäytön sopeutumiskyky estää akselin väärinkäytön aiheuttamat voimansiirron, varmistaa jatkuvan ja vakaan tehonkulutuksen, vähentää merkittävästi mekaanisten vikojen todennäköisyyttä äärimmäisissä työolosuhteissa ja takaa tuotantolinjojen jatkuvan toiminnan.
2. Korkea kestävyys ja pidempi käyttöikä
SWC: n yleisten nivelkytkimien suunnittelu ja materiaalivalinta keskittyvät "raskaiden kuormitusten ja kestävien ankarien ympäristöjen kestämiseen". Pääkappale on valmistettu erittäin lujasta seosteräksestä yhdistettynä integroidun haarukan pään rakenteen kanssa, joka vähentää pohjimmiltaan yleisiä epäonnistumispisteitä, kuten pultin löysääminen ja komponenttien rikkoutuminen. Esimerkiksi ottaen kestävän SWC -yleisen nivelakselin kytkentä, jota käytetään nosto- ja materiaalien käsittelylaitteissa, se kestää hetkellisen iskukuorman nostaessasi raskaita esineitä ja ylläpitää vakaata suorituskykyä ankarissa ympäristöissä, kuten pölyssä ja korkeissa lämpötiloissa. Verrattuna perinteisiin jaetun rakenteen kytkimiin, tämän teollisen yleisen nivelkytkimen kokonaislujuuden kokonaislujuus on lisääntynyt 30%-50%, mikä ei vain vähennä päivittäisen ylläpidon tiheyttä, vaan myös pidentää käyttöiän 2-3 vuotta. Se soveltuu erityisesti raskaiden koneiden yleisten nivelten kytkentäjärjestelmien pitkäaikaiseen korkean kuormituksen tarpeisiin.
3. Korkea siirtotehokkuus ja merkittävä energiansäästövaikutus
Testit ovat osoittaneet, että SWC: n raskasvaikutteisen yleisen nivelkytkimen siirtotehokkuus on jopa 98,6%, jolla on selviä etuja suuritehoisissa teollisuussiirtoskenaarioissa-kuten teräslaitosten uuninpuhaltimien ja voimalaitosten hiilen välitysjärjestelmien masuunin tuulettimien kanssa. Laitteille, jotka vaativat jatkuvaa suuritehon siirtoa, tämän tehokkaan yleisen yleisen liitoskytkimen yhteensovittamisen suuren voimansiirron kanssa voi minimoida tehonhäviön. Yrityksille, jotka pyrkivät energiaa säästäviä yleisiä yhteisiä kytkentäratkaisuja, tämä korkea hyötysuhde voidaan muuntaa suoraan kustannusetuiksi: Esimerkiksi 1500 kW: n teollisuusmoottorin ottaminen voi säästää yli 12 000 yuania sähkökustannuksissa vuodessa ja auttaa yrityksiä vähentämään huomattavia toimintakustannuksia pitkäaikaisessa käytössä, kun taas energiansäästö- ja kulutus-alennuksen trendit ovat teollisuuskenttää.
4. Vakaa ja hiljainen toiminta, sopii useisiin skenaarioihin
Optimoimalla laakerin sopivuuden tarkkuus ja käyttämällä voitelua rasvaa pienellä kitkakertoimella, tämän matalan kohinan yleisen yhteisen kytkennän toimintamelua hallitaan tiukasti 30–40 dB (A), joka vastaa päivittäisen toimiston ympäristön melutasoa ja vastaa täysin teollisuussivustojen kohinan emissiostandardeja. Melu-herkissä skenaarioissa-kuten tuotantolinjat elintarvikkeiden jalostuslaitoksissa ja laitteiden välityslaitteiden välittämislaitteita varten-se ei voi vain varmistaa siirtojärjestelmän vakauden ja luotettavuuden, vaan myös välttää vaikuttamaan työpajaympäristöön tai työntekijöiden toimintakokemukseen melun vuoksi. Samanaikaisesti vakaa siirtoominaisuudet voivat myös vähentää laitteiden värähtelyn aiheuttamien ympäröivien komponenttien kulumista, parantaen edelleen koko tuotantojärjestelmän toimintavakautta ja käyttöiän käyttöä.
SWC-DH: n lyhyttä flex-hitsaustyyppistä yleistä kytkemistä, jota usein kutsutaan SWC Cardan -akselin yleisen nivelkytkimeksi, käytetään pääasiassa raskaiden koneiden skenaarioissa, kuten valssausmyllyt ja nostot. Tämän tyyppisillä laitteilla on erittäin korkeat vaatimukset rakenteelliselle kompaktiteettille ja joustavuudelle - vain täyttämällä nämä kaksi kohtaa voidaan saavuttaa tehokas toimenpide, ja tämä kytkentä vastaa täydellisesti tällaisia tarpeita. Korkean vääntömomentin yleisenä nivelkytkimenä se voi tehokkaasti yhdistää kaksi siirto-akselia riippumattomilla akseleilla varmistaen saumattoman voimansiirron jopa ankarissa teollisuusympäristöissä, jotka vaativat tarkan korvauksen akselijärjestelmän väärinkäytöstä.
Käytännöllisissä sovelluksissa tarvitaanko liikkuvien myllytyön aikana tarvittavaan luotettavaa raskasta yleistä yleistä yhteistä kytkemistä rullauslaitoksen aikana tai kestävää SWC: n yleistä nivel-akselin kytkemistä vaaditaan nosto- ja materiaalien käsittelylaitteita, tämä tuote voi suorittaa erinomaisesti-se voi ylläpitää vakaata laitteiden toimintaa jopa äärimmäisissä kuormituksissa. Sen sopeutumisetu on erityisen näkyvä kompakteissa laitteiden asetteluissa, joissa tilaa on rajoitettu ja vaaditaan lyhyt joustava rakenteen suunnittelu.
Tämä SWC-DH: n teollisuuden yleinen yhteinen kytkentä on rakennettu edistyneellä tekniikkatekniikalla ja optimoitu suorituskykyyn ja käyttöelämään erityisesti teollisuusskenaarioihin. Sen keskeinen rakenteellinen ominaisuus on kohtuullinen ja turvallinen suunnittelu: integroitu haarukan pään rakenne eliminoivat pohjimmiltaan pultin löysäämisen tai rikkoutumisen piilotetut vaarat, mikä lisää kokonaislujuutta 30%-50%. Tämä suunnittelu ei vain takaa toiminnan turvallisuutta ja luotettavuutta, vaan myös pidentää käyttöiän perinteisiin malleihin verrattuna, samalla kun vältetään yleiset vikaongelmat korkean stressin sovellusskenaarioissa, kuten raskaiden koneiden yleiset yhteiset kytkentäjärjestelmät.
Lisäksi sen kuormituskykyä parannetaan suunnittelun avulla kestämään suurempia painoja, joten tämä SWC: n raskas yleinen nivelkytkentä on erittäin sopiva skenaarioihin, joissa on tiukat vaatimukset kuormituskykyä, kuten kaivoskoneita ja rakennuslaitteita. Siirtotehokkuuden suhteen se saavuttaa jopa 98,6%. Tehokkaana yleisenä nivelkytkimenä suuren voimansiirron kannalta se voi vähentää merkittävästi energiankulutusta ja sähkön kustannuksia, mikä tekee siitä edullisen tuotteen energiansäästölle yleisten nivelten kytkentäratkaisuille suuritehoisen teollisen siirron alalla.
Lopuksi, tässä kytkennässä on vakaa lähetys, ja toimintakohina, jota yleensä ohjataan nopeudella 30–40 dB (A), mikä tekee siitä matalan kohinan yleisen nivelkytkimen. Tämä ominaisuus antaa sille mahdollisuuden toimia hiljaa jopa melaherkissä teollisuusskenaarioissa säilyttäen samalla korkean luotettavuuden.
⭐⭐⭐⭐⭐ Wang Lei, projektisuunnittelija, Guangdong Heavy Machinery Co., Ltd.
Olemme käyttäneet Raydafonin SWC-DH: n lyhyttä flex-hitsaustyyppistä universaalia kytkemistä raskaita koneitamme jo jonkin aikaa, ja se on ollut miellyttävä yllätys-varsinkin kun kyse on tiukkojen paikkojen sovittamisesta. Laitteissamme on melko rajallinen tila siirtoosille, mutta tämän kytkimen kompakti muotoilu sopii kuin hansikka, eikä sinun tarvitse järjestää muita komponentteja vain, jotta se toimisi.
Vielä parempaa on, että se ei uhraa suorituskykyä koon vuoksi. Se tarjoaa edelleen vahvaa, tasaista vääntömomentin siirtoa-kriittistä raskaiden toimintoihimme. Olemme johtaneet sitä jatkuvasti viikkoja, ja epänormaalia tärinää on ollut nolla; Koko järjestelmä pysyy sujuvana. Myös hitsauksen laatu on toinen kohokohta-voit kertoa, että se on vankka vain tarkastelemalla sitä, mikä antaa meille täydellisen luottamuksen, että se pitää pitkäaikaisen raskaan käytön. Kytkentälle, joka tasapainottaa tilaa säästävää suunnittelua ja luotettavuutta, tämä on voittaja.
⭐⭐⭐⭐⭐ Zhao Ming, hankintapäällikkö, Tianjin Steel Equipment Co., Ltd.
Tilasimme äskettäin useita SWC-DH-kytkimiä Raydafonista, ja minun on sanottava, että koko hankintaprosessi oli helppoa-ei päänsärkyä, ei viiveitä. Heidän tiiminsä oli reagoiva hetkestä lähtien, kun lähetimme tilaukseen, ja toimitus ilmestyi oikealle päivälle, mikä on iso plus tuotantomme pitämiseksi radalla. Pakkaus oli myös huippuluokkaa: jokainen kytkentä oli kääritty turvallisesti, ei kolhuja tai vaurioita kuljetuksen aikana-vain valmis ja asenna.
Tekninen tiimimme käsitteli asennusta, ja he mainitsivat heti, kuinka helppoa se oli asentaa. Ei monimutkaisia vaiheita, erityisiä työkaluja ei tarvitse metsästää - he saivat sen nopeasti asettumaan, ja se on ollut luotettavasti siitä lähtien. Kun otat huomioon kohtuullisen hinnan, joka on pariksi tämän johdonmukaisen suorituskyvyn kanssa, on selvää, että tämä kytkentä tarjoaa suuren arvon. Aiomme jo pitää sen säännöllisessä hankintaluettelossa; Se on sellainen tuote, joka tekee työni ostajana helpommaksi.
⭐⭐⭐⭐⭐ Liu Hong, huoltojohtaja, Shandong Industrial Group
Laitteiden ylläpidon valvonnan suurimpana prioriteettina on seisokkien vähentäminen ja vähentäminen aika, jonka tiimini viettää huolto -osien. Raydafonin SWC-DH-kytkentä tarkistaa molemmat ruudut täydellisesti. Käytämme sitä laitteissa, jotka kulkevat raskaan työmäärän alla päivittäin, ja se ei koskaan liuku tai siirry - vie tiukasti paikoillaan, ei löysät yhteydet. Jopa kuukausien käytön jälkeen on tuskin mitään merkkejä kulumisesta, mikä on valtava kontrasti muille kytkimille, joita olemme aiemmin käyttäneet.
Niiden vanhempien kytkimien kanssa ajoittaimme aina pikakorjauksia tai osan korvauksia, jotka söivät tuotanto -ajan ja korotettiin kustannuksiin. Tämä? Me tuskin kosketamme sitä - ei usein huoltoa, ei odottamattomia erittelyjä. Se säästää meitä niin paljon aikaa ja rahaa ylläpitoon, ja se vain tekee työnsä luotettavasti. Nykyään siitä on tullut päivittäisessä toiminnassamme otettu komponentti; Minun ei tarvitse huolehtia siitä, että se epäonnistuu, mikä antaa minun keskittyä muihin prioriteetteihin. Se on tarkalleen sellainen luotettava osa, jota jokainen huoltotiimi tarvitsee.
Osoite
LUOTUO -teollisuusalue, Zhenhai District, Ningbo City, Kiina
Puh
Sähköposti


+86-574-87168065


LUOTUO -teollisuusalue, Zhenhai District, Ningbo City, Kiina
Copyright © Raydafon Technology Group Co., rajoitettu kaikki oikeudet pidätetään.
Links | Sitemap | RSS | XML | Tietosuojakäytäntö |
