QR koodi
Tuotteet
Ota meihin yhteyttä


Faksi
+86-574-87168065

Sähköposti

Osoite
LUOTUO -teollisuusalue, Zhenhai District, Ningbo City, Kiina
Raydafonin SWC-WD-lyhyt ilman taipumista laippaa tyyppisiä yleisiä kytkimiä on rakennettu siirtämään vääntömomenttia tehokkaasti raskailla koneissa-ajattelevat teräsvalssausmyllyt, nosturit, nostolaitteet, kaikki nämä raskasvarusteet. Siinä on kompakti, ei-teleskooppinen laippamalli, jonka halkaisijat vaihtelevat 180 mm-1320 mm. Tämä lyhyt laipan yleinen kytkentä pystyy käsittelemään jopa 15 astetta ja vääntömomenttia kuin 16000 kN · m, joten tiukkoissa tiloissa, joissa tilaa ei ole, pitää voimaa siirtymässä luotettavasti. Teemme sen erittäin lujasta 35crmo-teräksestä, laakerirakenteella, joka ei tarvitse pultteja-täydellistä raskaiden koneiden ja ei-teleskooppisten universaalien kytkentöjen yleisiä kytkimiä teollisiin sovelluksiin. Se ei vaadi paljon ylläpitoa ja kestää ikuisesti, mitä tarvitset vaikeissa asennuksissa.
Valmistuksemme Kiinassa noudattaa ISO 9001 -standardeja, joten SWC-WD: n yleinen kytkentä kestää ankarissa olosuhteissa. Risti-akseli on kromipinnoitettu vastustamaan korroosiota lisäämällä sen sitkeyttä. Sen jäykkä, hitsattu laippamalli tekee asennuksesta helppoa, etenkin metallurgia- ja kaivoslaitteissa, joissa aksiaaliliike on melko minimaalinen. Voimme mukauttaa kokoa tarpeisiisi, joten tämä kestävä lyhyt universaali kytkentä toimii suuresti räätälöityinä universaalina kytkiminä nosturijärjestelmiin ja muihin raskaan työpaikkoihin. Ja hinta on myös kilpailukykyinen. Raydafonin tarkka käsityö tarkoittaa vähemmän seisokkeja ja luotettavampia laitteita - jotain teollisuusoperaattoreita ympäri maailmaa voi luottaa.
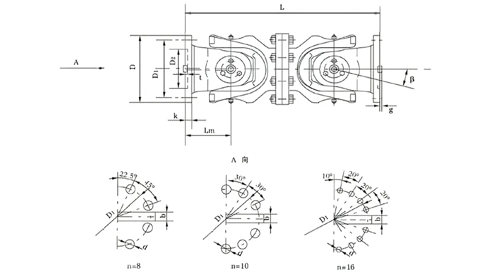
| Ei. | Gyration -halkaisija d mm | Nimellismomentti TN Kn · m | Akselit taittokulma β (°) | Väsynyt vääntömomentti TF Kn · m | Koko (mm) | Paino (kg) | |||||||||
| Lemin | D1 (JS11) | D2 (H7) | Lm | n-d | k | t | b (H9) | g | Lemin | Lisätä 100 mm | |||||
| SWC180WD | 180 | 12.5 | 6.3 | ≤25 | 440 | 155 | 105 | 110 | 8-17 | 17 | 5 | - | - | 0.145 | 52 |
| SWC225WD | 225 | 40 | 20 | ≤15 | 480 | 196 | 135 | 120 | 8-17 | 20 | 5 | 32 | 9.0 | 0.355 | 82 |
| SWC250WD | 250 | 63 | 31.5 | 560 | 218 | 150 | 140 | 8-19 | 25 | 6 | 40 | 12.5 | 0.831 | 127 | |
| SWC285WD | 285 | 90 | 45 | 640 | 245 | 170 | 160 | 8-21 | 27 | 7 | 40 | 15.0 | 1.715 | 189 | |
| SWC315WD | 315 | 125 | 63 | 720 | 280 | 185 | 180 | 10-23 | 32 | 8 | 40 | 15.0 | 2.820 | 270 | |
| SWC350WD | 350 | 180 | 90 | 776 | 310 | 210 | 194 | 10-23 | 35 | 8 | 50 | 16.0 | 4.791 | 370 | |
| SWC390WD | 390 | 250 | 125 | 860 | 345 | 235 | 215 | 10-25 | 40 | 8 | 70 | 18.0 | 8.229 | 524 | |
| SWC440WD | 440 | 355 | 180 | 1040 | 390 | 255 | 260 | 16-28 | 42 | 10 | 80 | 20.0 | 15.320 | 798 | |
| SWC490WD | 490 | 500 | 250 | 1080 | 435 | 275 | 270 | 16-31 | 47 | 12 | 90 | 22.5 | 25.740 | 1055 | |
| SWC550WD | 550 | 710 | 355 | 1220 | 492 | 320 | 305 | 16-31 | 50 | 12 | 100 | 22.5 | 46.780 | 1524 | |
| SWC620WD | 620 | 1000 | 500 | 1360 | 555 | 380 | 340 | 10-38 | 55 | 12 | 100 | 25.0 | 83.760 | 2120 | |
* 1.
Raydafonin SWC: n yleinen nivelkytkentä - yleensä kutsutaan SWC Cardan -akselin yleiseksi nivelkytkimeksi - ei ole vain osa; Se on välttämätöntä raskaiden teollisuuskenttien, kuten liikkuvien myllien, nostolaitteiden ja kaikenlaisten kovien raskaiden koneiden asetukset. Korkeasti vääntöä yleinen nivelkytkentä, se tekee vankan työn yhdistäen kaksi voimansiirto-akselia, jotka eivät ole täysin linjassa, varmistaen, että virta toimitetaan sujuvasti, vaikka työolosuhteet ovat todella ankarat.
Puhutaan sen ydinspekteistä: Halkaisijan halkaisija vaihtelee välillä φ58 - φ620, nimellinen vääntömomentti kulkee välillä 0,15 - 1000 kN · m ja akselin taitokulma on enintään 25 °.
Tämä kytkentä toimii parhaiten tietyissä paikoissa-kuten silloin, kun tarvitset luotettavan raskaan universaalin nivelkytkimen valssauskäyttötoimintoihin tai kestävään SWC: n yleisen nivelakselin kytkemiseen nosto- ja materiaalien käsittelylaitteissa. Näissä tapauksissa se osoittaa voimansa: jopa suurten jännitysten alla se pitää operaatiot vakaana, ei sotkua tai erittelyjä.
Raydafonin SWC: n yleinen yhteinen kytkentä ei ole vain heitetty yhteen-se on rakennettu älykkäällä, ajantasaisella tekniikalla toimimaan hyvin ja pitämään pitkään teollisuuskäytössä. Kävelemme läpi sen, mikä tekee sen rakenteesta erottuvan.
Ensinnäkin sillä on kohtuullinen ja turvallinen kokoonpano: Käytimme integroitua haarukan pään suunnittelua tälle teolliselle yleisen nivelkytkimelle, joka vähentää riskejä, kuten pultit, jotka ovat irtoaa tai murtuvia. Pelkästään se säätö tekee siitä kokonaisuutena 30% -50%, joten se toimii turvallisesti ja johdonmukaisesti. Säännöllisiin kytkimiin verrattuna se kestää paljon pidempään, ja se välttää yleisiä ongelmia korkeajännitteellisissä paikoissa-kuten raskaat koneet yleiset yhteiset kytkentäjärjestelmät, joita näet vaikeissa töissä.
Sitten on sen parannettu kuormituskyky: tämä SWC-raskas yleinen nivelkytkentä on valmistettu käsittelemään suuria painoja, joten se on välttämätön paikoissa, jotka tarvitsevat huippuluokan kuormituksen käsittelyä, kuten kaivosvaihde- tai rakennuskoneet.
Se osuu myös korkeaan siirtotehokkuuteen - 98,6%: iin. Tehokkaana yleisenä nivelkytkimenä suuren voimansiirron saavuttamiseksi se vähentää energiankulutusta ja sen mukana olevia kustannuksia. Siksi se on ylin valinta energiaa säästävälle yleisten nivelten kytkentäratkaisuille suuritehoisissa teollisuusvaihteistoissa.
Ja se toimii sileänä alhaisella kohinalla: voimansiirto pysyy vakaana, ja melu yleensä nousee välillä 30–40 dB (a). Tämä matalan kohinan yleinen yhteinen kytkentä pitää operaatiot hiljaisena, mikä on täydellinen teollisuuspaikoille, joissa melu on ongelma-kaikki samalla kun luotettavuus on korkealla tasolla.
⭐⭐⭐⭐⭐ Zhang Wei, pääinsinööri, Henan Mining Equipment Co., Ltd.
Olemme asettaneet Raydafonin SWC-WD-lyhyen ilman flex-laippaa tyyppisiä universaalia kytkentä kaivoskoneellemme, ja se on ollut täydellinen istuvuus. Sen kompakti muotoilu on juuri sitä, mitä tarvitsemme tiukkoihin tiloihin, joissa varaa ei ole paljon varaa, ja rakennus on tarpeeksi kova toiminnan pitämiseksi vakaana. Jopa silloin, kun se toimii jatkuvasti raskaissa olosuhteissa, tämä kytkentä ei koskaan petä meitä-epäonnistumisia. Huoltotiimimme rakastaa sitä, että se tuskin tarvitsee sisäänkirjautumista, mikä tarkoittaa, että voimme pitää tuotannon liikkuessa sujuvasti ilman ylimääräistä vaivaa.
⭐⭐⭐⭐⭐ Michael Brown, operaatiopäällikkö, Texas Steel Works, USA
Texasin työpajamme tilasi SWC-WD: n lyhyen ilman Flex-laippaa tyyppisiä yleisiä kytkimiä Raydafonista, ja rehellisesti sanottuna laatu on puhallut meidät pois. Kytkentät koneistetaan todella hyvin, niiden asentaminen on cinch, ja ne pysyvät luotettavasti jopa kuormituksen aikana. Mikä jumittiin eniten minulle? Kuinka hyvin se tasapainottaa hintaa ja suorituskykyä - et löydä usein sitä makeaa paikkaa. Toimittajan löytäminen, joka toimittaa jatkuvasti tämän laatutason, ei ole helppoa, mutta Raydafon on ehdottomasti todistanut olevansa meille luotettava kumppani.
⭐⭐⭐⭐⭐ Anna Müller, huoltovalvoja, Berliinin teollisuusratkaisut, Saksa
Laitamme Raydafonin SWC-WD: n lyhyen ilman Flex-laippaa tyyppisiä yleisiä kytkimiä Berliinin laiteviivallamme, ja tulokset ovat olleet suuria. Tuote itsessään tuntuu kivimuotoiselta, hitsaus on tarkkaa-ei täällä olevaa työtä-ja toistaiseksi se pidetään todella hyvin, mikä osoittaa huippuluokan kestävyyttä. Verrattuna joihinkin muihin tuotemerkkeihin, joita olemme käyttäneet täällä Euroopassa, tämä kytkentä on paljon luotettavampaa, ja hinta on myös kilpailukykyisempi. Jos muut yritykset etsivät luotettavia yleisiä kytkimiä, suosittelen ehdottomasti Raydafonia.
Raydafonin SWC-WD-lyhyt ilman joustava laippa-tyyppistä yleistä kytkentä-usein nimeltään SWC Cardan -akselin yleinen nivelkytkentä-rakennetaan tiukkoihin teollisuuspisteisiin, joissa tila on rajoitettu ja tarvitset kiinteän pituisen suunnittelun (ei teleskooppista laajennusta). Korkeasti vääntönä yleisen nivelkytkimenä se liikuttaa vääntömomenttia tehokkaasti akselien välillä, jotka eivät ole kohdistettuja, käsittelemällä kulmapoikkeamia jopa 25 astetta, ja se pysyy luotettavana jopa raskaissa ympäristöissä.
Puhutaanpa sen keskeisistä ominaisuuksista: sillä on kompakti ja jäykkä rakenne-tämä lyhyt, ei-flexeble-laipan asetukset tekevät siitä luotettavan raskaan yleisen yleisen nivelkytkimen liikkuvien myllyoperaatioiden suhteen, mikä antaa ylimääräistä vakautta asennuksissa, joissa aksiaaliliike on minimaalinen. Siksi se toimii niin hyvin kiinteiden etäisten yhteyksien suhteen kovien koneiden kanssa. Sitten on sen korkea kuormituskyky: käytämme kovia materiaaleja, kuten valurautaa tai kevytmetalliterästä, joten se on kestävä SWC-yleinen nivelakselin kytkentä nosto- ja materiaalien käsittelylaitteissa. Se pitää suuria painoja ja välittää enemmän vääntömomenttia kuin muut saman halkaisijan kytkimet, mikä tekee siitä täydellisen raskaiden kuormitusten tai rakennusvälineiden raskaisiin kuormituksiin.
Tämä teollisuuden yleinen nivelkytkentä kompensoi myös väärinkäytön todella hyvin - olipa se kulma-, rinnakkainen tai aksiaalinen väärinkäyttö, se ei sekoita pyörimisnopeutta tai vääntömomentinsiirtoa. Tämä tarkoittaa sujuvaa toimintaa raskaiden koneiden yleisten nivelten kytkentäjärjestelmissä. Ja se on tehokas voimansiirrossa: saavuttaa jopa 98,6%: n tehokkuus, tämä SWC: n raskas universaali nivelkytkentä pitää energian menetyksen alhaisena, mikä tekee siitä tehokkaan yleisen nivelkytkimen suuren tehon teollisuusasetusten suuren voimansiirron saavuttamiseksi.
Lisäksi se on suunniteltu säästämään energiaa ja ajamaan hiljaista-jos tarvitset energiaa säästävää yleisiä nivelkytkentäratkaisuja, tämä on ylin valinta, leikkauskustannukset. Ja se pitää melua välillä 30–40 dB (a), joten tämä matala-kohinan yleinen nivelkytkentä sopii suoraan teollisuuspaikoihin, joissa melu on huolenaihe.
Tämä kytkentä todella loistaa tietyissä skenaarioissa-kuten silloin, kun tarvitset luotettavan raskaan universaalin yhteisen kytkentä valssauskäyttöön tai kestävään SWC: n yleiseen nivelakselin kytkemiseen nosto- ja materiaalien käsittelylaitteisiin. Näissä tapauksissa, jopa äärimmäisillä kuormituksilla ja rajoitetulla tilalla, se pitää toiminnot vakaina, ei hikkaa.
SWC-WD-variantimme erottuu Smart Engineering -yrityksestä, joka tekee siitä paremman ja kestävän pidemmän. Puhutaanpa sen avainrakenteesta: sillä on kohtuullinen, turvallinen asennus integroidun haarukan pään suunnittelulla-tämä pääsee eroon ongelmista, kuten pultit, jotka tulevat löysäksi tai murtumaan, lisäämällä kokonaisvoimaa 30%-50%. Tämä tarkoittaa, että se toimii turvallisesti ja luotettavasti, kestää pidempään kuin vanhan tyyliset mallit ja välttää yleisiä rikkoutumisia korkean stressin paikoissa, kuten raskaiden koneiden yleisten nivelten kytkentäjärjestelmien.
Lisäksi se pystyy käsittelemään paljon enemmän kuormitusta-rakensimme sen tukemaan raskaampia painoja, joten tämä SWC: n raskas yleinen nivelkytkentä on täydellinen paikkoihin, jotka tarvitsevat kovaa kuormankäsittelyä, kuten kaivos- tai rakennuslaitteita. Se liikuttaa myös voimaa erittäin tehokkaasti, lyömällä jopa 98,6%: n siirtotehokkuutta. Tehokkaana yleisenä nivelkytkimenä suuren voimansiirron kannalta se vähentää energiankulutusta ja sen mukana olevia kustannuksia, mikä tekee siitä ylimmän valinnan energiansäästöille yleisten nivelten kytkentäratkaisuille suuritehoisissa teollisuuslähetysten asetuksissa.
Ja se toimii sileänä tuskin minkä tahansa melun kanssa-siirto pysyy vakaana, ja melu pysyy yleensä välillä 30–40 dB (a). Tämä matalan kohinan yleinen yhteinen kytkentä pitää operaatiot hiljaisena, mikä on täydellinen teollisuuspaikoille, joissa melu on ongelma, samalla kun se pitää luotettavuuden korkealla tasolla.
Raydafon ei ole vain toinen nimi lähetysosissa-olemme johtava korkean suorituskyvyn siirtokomponenttien ja teollisuuskoneiden ratkaisujen valmistaja ja toimittaja, ja olemme keskittyneet terävästi tuotteisiin, kuten SWC Cardan -akselin yleinen yhteinen kytkentä. Aloitimme pysyäksemme sen kanssa, mitä globaalit teollisuudenalat tarvitsevat kehittyneiden kehittyessä, ja ajan myötä olemme rakentaneet koko kokoonpanon: vaihdelaatikkoja, akseliakseleita, hydraulisia sylintereitä, hihnapyöriä, tarkkuuskoneiden työkaluja-kaikki tehdyt lisäämään maatalouden ja raskaan sektorin aloja. Olemme suuria innovaatioiden suhteen, minkä vuoksi voimme toimittaa luotettavia raskaiden yleisten nivelten kytkemistä valssauslaitosoperaatioihin, jotka sopivat suoraan jopa monimutkaisimpiin järjestelmiin ilman kiinnitystä.
Myös tilamme ovat huippuluokkaa-meillä on CNC-työpajoja, hioma- ja lämmönkäsittelylaitteita sekä edistyneitä 3D-mittausjärjestelmiä. Pidämme kiinni tiukista laatustandardeista, kuten ISO9001/TS16949, ja tämän asennuksen avulla voimme tehdä korkean vääntöä yleisiä nivelliitäntöratkaisuja, jotka liikuttavat vääntömomenttia suuria ja käsittelevät väärinkäyttöä kuin pro. Ota esimerkiksi kestävä SWC-yleinen nivelakselin kytkentä nosto- ja materiaalien käsittelylaitteisiin-se on rakennettu paikkoihin, jotka tarvitsevat kovaa kuormitusta kantavaa voimaa. Ja teollisuuden yleinen yhteinen kytkentälinjamme? Se kattaa kaikenlaisia käyttötarkoituksia, joissa tarkkuus ja tukevuus on eniten.
Kahdeksankymmentä prosenttia tekemästämme viedään - siten paikkoihin, kuten Yhdysvalloissa, Saksassa, Japanissa, Italiassa, Malesiassa, Australiassa ja Lähi -idässä. Meillä on vahvoja verkostoja Kiinassa, Etelä -Koreassa, Isossa -Britanniassa, Singaporessa, Yhdysvalloissa ja Espanjassa, joten olemme vakaita maailmanlaajuisesti. Tämän avulla voimme tarjota räätälöityjä SWC: n raskaiden yleisten nivelten kytkentävaihtoehtoja-tarkalleen sitä, mitä asiakkaat tarvitsevat, kuten raskaissa koneissa, jotka ovat yleisiä yhteisiä kytkentäjärjestelmiä, joissa pysyminen äärimmäisissä kuormituksissa ei ole neuvoteltavissa.
Me välitämme kestävyydestä ja ratkaisujen tekemisestä, jotka asettavat asiakkaat etusijalle. Siksi kehitämme energiaa säästäviä yleisiä nivelliitäntäratkaisuja, jotka saavuttavat jopa 98,6%: n siirtotehokkuuden-energiankulutuksen suuren voiman asennuksissa. Tarvitsetko tehokkaan yleisen nivelkytkimen suuren voimansiirron tai matalan kohinan yleisen nivelkytkimeen teollisuuspaikoihin, joissa melu on ongelma, tuotteissamme on täydet myynnin jälkeiset palvelut. Näin meistä on tullut luotettava kumppani lähetysteollisuudessa - emme myy vain osia, tuemme niitä.
Osoite
LUOTUO -teollisuusalue, Zhenhai District, Ningbo City, Kiina
Puh
Sähköposti


+86-574-87168065


LUOTUO -teollisuusalue, Zhenhai District, Ningbo City, Kiina
Copyright © Raydafon Technology Group Co., rajoitettu kaikki oikeudet pidätetään.
Links | Sitemap | RSS | XML | Tietosuojakäytäntö |
