QR koodi
Tuotteet
Ota meihin yhteyttä


Faksi
+86-574-87168065

Sähköposti

Osoite
LUOTUO -teollisuusalue, Zhenhai District, Ningbo City, Kiina
Raydafonin SWC-WF ilman joustava laippa-tyyppisiä yleisiä kytkimiä tehdään vain raskaan koneen korkean vääntömomentin siirtoon-ajattelevat metallurgialaitteita, nostureita, kaivosjärjestelmiä, kaikkia kovia asennuksia, jotka tarvitsevat tasaista voimaa. Siinä on ei-flexeble-laippasuunnitelma, kiireen halkaisijat, jotka vaihtelevat välillä 160 mm-640 mm, ja tämä laippatyyppi Universal kytkentä käsittelee suuria kulmakohtaisia väärinkäytöksiä sekä jatkuvia pyöriviä nopeuksia, vaikka työskentelee, vaikka työskentelee erittäin vaativissa olosuhteissa. Käytämme sen rakentamiseen erittäin lujaa 35CRMO-terästä, joten se on voimakkaasti kuormituksia täydellisesti-sitä, miksi se on huippuluokan valinta yleismaailmallisiin kytkimiin raskaisiin koneisiin ja muihin kuin flex-universaalisiin kytkimiin teollisuussovelluksiin. Raydafonin tarkkuusvalmistus varmistaa, että se tarjoaa vankan suorituskyvyn joka kerta, etenkin teollisuudenaloille, jotka eivät voi tehdä kompromisseja jatkuvan vääntömomentin toimittamisesta.
Tämä SWC-WF: n yleinen kytkentä on rakennettu kestämään, jäykällä laippayhteydellä, joka tekee asennuksesta helppoa järjestelmissä, kuten laivanrakennusasemat ja valssausmyllyt-paikkoja, joissa aksiaaliliike ei ole paljon. Seuraamme ISO 9001 -standardeja tiukasti, ja kiinalainen tehdas käyttää edistyneitä koneistuksia ja tiukkoja laatutarkastuksia tämän kestävän laipan yleisen kytkennän tekemiseksi. Sitä on muokattavissa koot, vääntömomenttien arvioinnissa jopa 1250 kn · m, joten se sopii suoraan mukautettuihin yleisiin kytkimiin metallurgialaitteisiin ja muihin raskaisiin asennuksiin. Raydafon tarjoaa myös räätälöityjä ratkaisuja kilpailukykyiseen hintaan, auttaen vähentämään seisokkeja ja parantamaan laitteesi luotettavuutta.
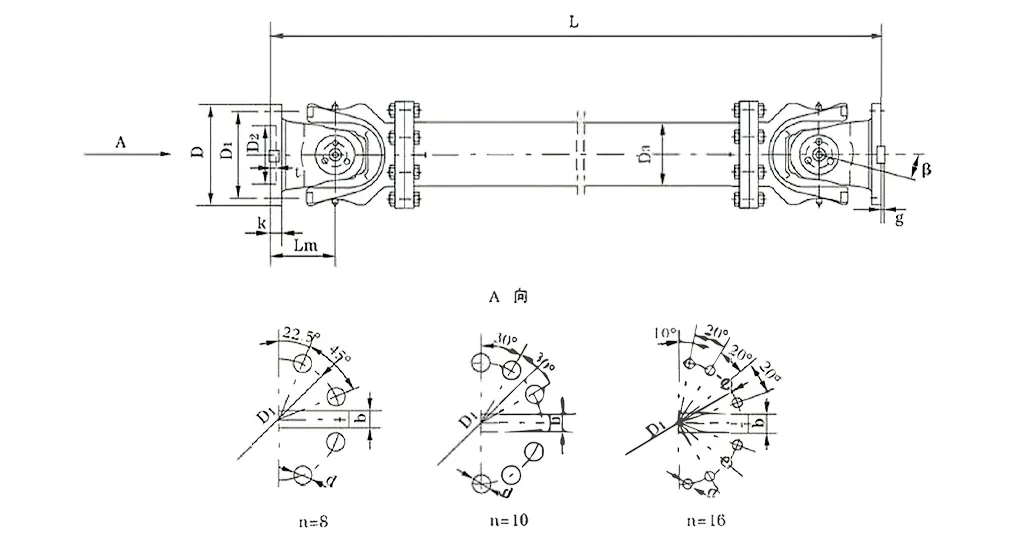
| Ei. | Gyration -halkaisija d mm | Nimellismomentti TN Kn · m | Akselit taittokulma β (°) | Väsynyt vääntömomentti TF Kn · m | Koko (mm) | Pyörivä inertia KG.M2 | Paino (kg) | |||||||||||
| Lemin | D1 (JS11) | D2 (H7) | D3 | Lm | n-d | k | t | b (H9) | g | Lemin | Lisätä 100 mm | Lemin | Lisätä 100 mm | |||||
| SWC285WF | 285 | 90 | 45 | ≤15 | 810 | 245 | 170 | 194 | 160 | 8-21 | 27 | 7 | 40 | 15 | 2.664 | 0.051 | 220 | 6.3 |
| SWC315WF | 315 | 125 | 63 | 915 | 280 | 185 | 219 | 180 | 10-23 | 32 | 8 | 40 | 15 | 4.469 | 0.0795 | 300 | 8.0 | |
| SWC350WF | 350 | 180 | 90 | 980 | 310 | 210 | 267 | 194 | 10-23 | 35 | 8 | 50 | 16 | 7.388 | 0.2219 | 412 | 15.0 | |
| SWC390WF | 390 | 250 | 125 | 1100 | 345 | 235 | 267 | 215 | 10-25 | 40 | 8 | 70 | 18 | 13.184 | 0.2219 | 588 | 15.0 | |
| SWC440WF | 440 | 355 | 180 | 1290 | 390 | 255 | 325 | 260 | 16-28 | 42 | 10 | 80 | 20 | 23.250 | 0.4744 | 880 | 21.7 | |
| SWC490WF | 490 | 500 | 250 | 1360 | 435 | 275 | 325 | 270 | 16-31 | 47 | 12 | 90 | 22.5 | 40.750 | 0.4744 | 1173 | 21.7 | |
| SWC550WF | 550 | 710 | 355 | 1510 | 492 | 320 | 426 | 305 | 16-31 | 50 | 12 | 100 | 22.5 | 68.480 | 1.3570 | 1663 | 34.0 | |
| SWC620WF | 620 | 1000 | 500 | 1690 | 555 | 380 | 426 | 340 | 10-38 | 55 | 12 | 100 | 25 | 127.530 | 1.3570 | 2332 | 34.0 | |
* 1.
* 2. L-asennuspituus, joka on vaatimuksen mukainen.
Raydafonin SWC-WF ilman joustavia laipan tyyppisiä yleisiä nivelten kytkentä-kutsutaan myös SWC Cardan -akselin yleiseen nivelkytkimeen-perustaa mekaanisen perusidean: se saa vääntömomentin kahdesta epäkokouksesta akselista minne sen on mentävä, ja se käsittelee myös väärinkäyttämistä. Tässä korkean vääntömomentin yleinen nivelkytkentä käyttää ristikkäistä asennusta laippojen yhdistämiseen molemmissa päissä, joten jopa silloin, kun akselit korvataan 25 astetta tai niillä on aksiaaliset/säteittäiset poikkeamat, se liikuttaa edelleen pyörimisvoimaa sujuvasti.
Sydän sen toiminnasta on yleinen yhteinen muotoilu - siellä on risti -akseli, joka toimii kuin kääntö, joka antaa jokaisen laipan liikkua yksinään. Tällä tavoin vääntömomentti siirtyy ajo -akselista ajettuun akseliin tehokkaasti, ja se korvaa kulman väärinkäytökset aiheuttamatta liikaa stressiä osiin, joihin se on kytketty. Jos tarvitset luotettavan raskaan universaalin nivelkytkimen valssauslaitosoperaatioihin, tämä jäykkä, ei-flexeble-laipparakenne pitää asiat vakaina, mikä on täydellinen lyhyen matkan yhteyksille kompakteissa raskaiden koneiden asetuksissa.
Sen toiminnan erottelu on se, että sillä ei ole joustavia osia tai laajennusominaisuuksia - tämä erottaa sen muista tyypeistä ja tekee siitä loistavan paikkoihin, joissa aksiaaliliike on minimaalinen. Kestävä SWC: n yleinen nivelakselin kytkentä, jota käytämme nosto- ja materiaalien käsittelylaitteiden kanssa, nojautuvat tähän periaatteeseen pysyäksemme tasapainossa jopa suurten kuormien alla; Se osuu siirtotehokkuuteen jopa 98,6%: iin eikä tuhlaa paljon energiaa. Tämä teollisuuden yleinen yhteinen kytkentä vähentää myös värähtelyjä tarkan laakeriliikkeen ansiosta, joten se sujuu tasaisesti jopa korkean stressin tilanteissa-aivan kuten raskaiden koneiden yleiset yhteiset kytkentäjärjestelmät, joita näet vaikeissa teollisuustyössä.
Lisäksi Raydafonin SWC: n raskas universaali nivelkytkentä on hitsatut laipat, jotta siitä olisi tukevampi-ei enemmän huolestuttavana pulttien irtoamisesta, ja se lisää kokonaislujuutta 30–50%. Tehokkaana yleisenä nivelkytkimenä suuren voimansiirron kannalta se hoitaa nimellismomentit välillä 0,15-1000 kN · m ja on halkaisijoiden halkaisija φ58-φ620-tekemällä siitä ylin valinta energiaa säästäville yleisten nivelten kytkentäratkaisuille vaatiessaan teollisuuslähetyksiä. Ja melulla pidetään 30–40 dB (a), tämä matala-kohinan yleinen nivelkytkentä on hiljainen, mikä on ihanteellinen teollisuuspaikoille, joissa melu on huolenaihe, samalla kun se pitää korkeat luotettavuusstandardit.
Raydafonin SWC Universal yhteinen kytkentä - usein kutsuttu SWC Cardan -akselin yleinen yhteinen kytkentä - ei ole vain tavallinen osa; Se on pakollinen raskaiden teollisuusasetusten, kuten liikkuvien myllyjen, nostamiskoneen ja kaikenlaisten kovien raskaiden koneiden järjestelmien, kuten liikkuvien myllysten, nostokoneiden ja kaikenlaisten kovien koneiden. Korkeasti vääntönä yleisenä nivelkytkimenä se tekee vankan työn yhdistäen kaksi voimansiirto-akselia, jotka eivät ole rivissä täydellisesti, varmistaen, että voima virtaa jatkuvasti, vaikka työolosuhteet muuttuvat karkeita.
Puhutaan sen avaintiedoista: Gyration -halkaisija vaihtelee välillä φ58 - φ620, nimellinen vääntömomentti kulkee välillä 0,15 - 1000 kN · m ja akselin taitokulma on enintään 25 °.
Tämä tuote todella loistaa tietyissä skenaarioissa-kuten silloin, kun tarvitset luotettavaa raskasta yleistä nivelkytkintä rullauslaitosoperaatioihin tai kestävän SWC: n yleisen nivel-akselin kytkemisen nosto- ja materiaalien käsittelylaitteissa. Näissä tapauksissa se osoittaa arvonsa pitämällä operaatiot vakaana, vaikka se käsittelee raskaita kuormia.
Raydafonin SWC-yleinen nivelkytkentä ei ole vain rakennettu toimintaan-se on suunniteltu älykkäällä suunnittelulla pysyäkseen teollisuuskäytössä ja jatkaakseen pitkällä aikavälillä. Hajautetaan, mikä tekee sen rakenteesta erottuvan.
Ensinnäkin sillä on kohtuullinen ja turvallinen kokoonpano: Käytimme integroitua haarukan pään suunnittelua tälle teolliselle yleisen nivelkytkimelle, joka vähentää riskejä, kuten pultit, jotka ovat irtoaa tai murtuvia. Pelkästään se lisää sen rakenteellista eheyttä 30%-50%, joten se toimii turvallisesti ja luotettavasti. Säännöllisiin kytkimiin verrattuna se kestää pidempään ja välttää yleisiä rikkoutumisia korkean stressin pisteissä-kuten raskaita koneiden yleisiä yhteisiä kytkentäjärjestelmiä, joita näet vaikeissa töissä.
Sitten on sen parannettu kuormituskyky: Tämä SWC-raskas yleinen nivelkytkentä on valmistettu käsittelemään suuria painoja, joten se on välttämätön paikoissa, jotka tarvitsevat huippuluokan kuormanhallintaa, kuten kaivos- tai rakennuskonetta.
Se tarjoaa myös korkean siirtotehokkuuden - nousee jopa 98,6%. Tehokkaana yleisenä nivelkytkimenä suuren voimansiirron saavuttamiseen vähentää energiankulutusta ja sen mukana olevia kustannuksia. Siksi se on ylin valinta energiansäästöille yleisten nivelten kytkentäratkaisuille suuritehoisissa teollisuusvaihteistoissa.
Ja se toimii sileänä alhaisella kohinalla: se pitää siirron tasaisena ja melu pysyy yleensä välillä 30–40 dB (a). Tämä matalan kohinan yleinen yhteinen kytkentä varmistaa, että operaatiot pysyvät hiljaisina, mikä on täydellinen paikkoihin, joissa melu on ongelma-kaikki pitäen luotettavuuden korkealla tasolla.
⭐⭐⭐⭐⭐ Chen Liang, tuotantoinsinööri, Zhejiang Machinery Co., Ltd.
Laitamme Raydafonin SWC-WF: n ilman Flex-laippaa tyyppisiä universaalisia kytkimiä yhdelle tuotantolinjastamme, ja se on toistaiseksi toiminut hyvin. Rakenne on yksinkertainen, mutta kova - sen asentaminen oli helppoa, ei monimutkaisia vaiheita. Kun se on asetettu, se toimii sujuvasti, ei tarvetta ylimääräisille korjauksille. Jopa silloin, kun kuorma on raskas, tämä kytkentä pysyy luotettavana, mikä tarkoittaa, että voimme pitää koneet pitkiä tunteja huolehtimatta liikaa - antaa meille ehdottomasti enemmän mielenrauhaa.
⭐⭐⭐⭐⭐ Sun Mei, ostajavalvoja, Hebei Steel Co., Ltd.
Yrityksemme osti useita SWC-WF: tä ilman Flex-laipan tyyppisiä yleisiä kytkimiä Raydafonilta, ja ensinnäkin toimitus oli oikea ajoissa, ja myös pakkaus oli varovainen-ei vaurioita ollenkaan. Se, mikä todella erottuu minulle, on se, mitä työpajatiimi sanoi: He kertoivat minulle, että kytkimet olivat helppo asentaa, ja käytettäessä niitä tuntuu todella vankilta. Lisäksi verrattuna muihin toimittajiin, hinta tässä on oikeudenmukainen. Kaiken kaikkiaan olemme todella tyytyväisiä tähän ostokseen.
⭐⭐⭐⭐⭐ Guo Jun, huoltopäällikkö, Liaoning Heavy Industry Group
Minun tehtäväni on pitää koneemme käynnissä, ja yritän leikata seisokkeja niin paljon kuin pystyn. Koska aloitimme Raydafonin SWC-WF: n käytön ilman joustavia laippatyyppisiä universaalisia kytkimiä, olen huomannut suuren eron-vähemmän kulumisen ja paljon vähemmän ongelmia toiminnan aikana. Suunnittelu on kova, eikä se tarvitse paljon huoltoa. Se säästää meitä sekä aikaa että rahaa, ja se on osoittautunut erittäin luotettavaksi osaksi laitteillemme.
Raydafon on Ever-Power Group Co., Ltd: n avainhenkilö-Emme ole vain toimittaja, vaan myös korkealaatuisten siirtokomponenttien ja teollisuusratkaisujen tarjoaja, ja keskitymme paljon innovatiivisiin tuotteisiin, kuten SWC CARDAN -akselin yleinen yhteinen kytkentä. Aloittamisen jälkeen olemme olleet kaikki tekniikan edistämistä ja kasvamista globaaleilla markkinoilla; Emme pysähtyneet myymään yksittäisiä komponentteja-nyt valmistelemme täysijärjestelmäratkaisuja, jotka sopivat maatalouden ja raskaan teollisuuden tarpeisiin täydellisesti. Tietotaidomme aseman akseleilla ja siirtotuotteilla tarkoittaa asiakkaita, jotka tarvitsevat luotettavia raskaiden yleismaailmallisia yhteisiä kytkemistä liikkuvalle myllyoperaatioille (ja muille koville työpaikoille), voivat luottaa meihin vankaksi kumppaniksi.
Raydafonissa teemme laajan valikoiman tuotevalikoimaa: vaihdelaatikoita, asemiakseleita, hydraulisia sylintereitä, hihnapyöriä ja jopa edistyneitä työstötyökaluja, kuten CNC -sorvit ja jauhamiskoneet. Korkean vääntöjen yleiset nivelkytkentäratkaisut-esimerkiksi SWC-sarja-on rakennettu käsittelemään tiukkoja toimialoja, jotka tarvitsevat kestävää SWC: n yleistä nivelakselin kytkemistä nosto- ja materiaalien käsittelylaitteissa. Meillä on myös edistyneitä tiloja: CNC-työpajat, hioma- ja lämpökäsittelykoneet, 3D-mittaustyökalut-kaikki kiinni ISO9001/TS16949 -standardeista, joten jokainen tekemämme teollisuus yleinen nivelkytkentä on huippulaatuista ja tarkkaa.
Myymme 80% tuotteistamme ulkomailla, kuten Yhdysvaltojen, Saksan, Japanin, Italian, Malesian, Australian ja Lähi -idän markkinoille. Ja meillä on vahva verkosto paikoissa, kuten Kiinassa, Etelä -Koreassa, Yhdistyneessä kuningaskunnassa, Singaporessa, Yhdysvalloissa ja Espanjassa. Tämän maailmanlaajuisen ulottuvuuden avulla voimme luoda räätälöityjä ratkaisuja, kuten SWC: n raskasvaikutteiset yleiset nivelkytkimet-suunnitellut raskaiden koneiden yleiset nivelkytkentäjärjestelmät, joiden on käsiteltävä suuria kuormia ja kestävä pitkään.
Innovaatio ja asiakkaiden tekeminen onnelliseksi ovat prioriteettimme. Tarjoamme energiaa säästäviä yleisiä yhteisiä kytkentäratkaisuja, jotka saavuttavat jopa 98,6%: n siirtotehokkuuden ja leikkaamalla suuritehoisten asennusten käyttökustannukset. Tarvitsetko tehokkaan yleisen yhteisen kytkimen suuren voimansiirron tai matalan kohinan yleisen yhteisen kytkentä paikkoihin, joissa melu on merkitystä, tuotteissamme on ammatillinen myynnin jälkeinen palvelu-ja olemme omistautuneet tekemään asioita oikein. Siksi Raydafon on paras valinta kaikille siirtotarpeisiisi.
Osoite
LUOTUO -teollisuusalue, Zhenhai District, Ningbo City, Kiina
Puh
Sähköposti


+86-574-87168065


LUOTUO -teollisuusalue, Zhenhai District, Ningbo City, Kiina
Copyright © Raydafon Technology Group Co., rajoitettu kaikki oikeudet pidätetään.
Links | Sitemap | RSS | XML | Tietosuojakäytäntö |
